ゴミ箱だってスタイリッシュに! ちょっと小粋なインテリア風ダストボックス

ナチュラル系アイテムとの相性もバッチリ!インテリア風の木製折り畳み式ゴミ箱の作り方をご紹介。キャンプサイトの美観を損ねていたゴミ置場が、自慢のお気に入りスペースに。パタンと折り畳める構造なので、展開・撤収はあっという間で、持ち運びも容易です。

How to make -作り方-

材料

【木材】

材料

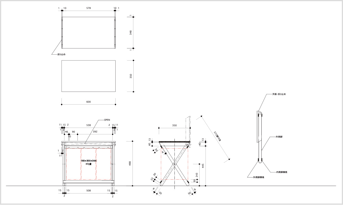
※寸法表記:W(幅)、H(高さ)、D(奥行き)、t(厚み)
※樹種はすべて「チェリー」を使用。

・蓋用
A. W600 × D350 × t15mm / 1枚(蓋板)
B. W348 × H40 × t11mm / 2枚(蓋板反り止め)

・脚用
C. H572 × W30 × t15mm / 2枚(外側脚)
D. H572 × W30 × t15mm / 2枚(内側脚)
E. W572 × H15 × t8mm / 1枚(外側脚下部の横桟)
F. W538 × H15 × t8mm / 1枚(内側脚下部の横桟)
G. W572 × H15 × t8mm / 1枚(外側脚上部の横桟)
H. W538 × H15 × t8mm / 1枚(内側脚上部の横桟)

【その他の材料】

その他の材料

・ビス(50mm) / 8本
・ビス(20mm) / 16本
・ジョイントコネクターボルトAタイプ(23mm 6角) / 4個
・ジョイントコネクター飾りナット(12mm 6角穴) / 4個
・ワッシャー / 4枚
・塗料
・サンドペーパー(#400)
・麻ヒモ(ガイロープ等でも可)
・ゴミ袋 / 1~3枚
※自作する場合は、1枚あたり約W160 x D300 x H348mmを目安に作成。

工具
工具

・目打ち
・金づち
・ノギス
・面取りビット
・マスキングテープ
・電動ドリル
・プラスビット
・キリ(φ17.5mm、φ10mm、φ4mm、φ3mm)
・糸ノコ
・ノコギリ
・六角レンチ(M6)
・クランプ
・定規
・サンドペーパー(#180)
・ドリルスタンド
・サンダー

作り方

1.脚の加工

穴を開ける位置にはそれぞれ目打ちで印を付けておく

穴を開ける位置にはそれぞれ目打ちで印を付けておく。

C、Dのボルトとナットが入る部分の加工
電動ドリル(φ17.5mm)で深さ2mmの穴を4カ所開ける

C、Dのボルトとナットが入る部分の加工。電動ドリル(φ17.5mm)で深さ2mmの穴を4カ所開ける(この際、ノギスで深さを測る)。
※深すぎるとボルトとナットが緩んでしまうので注意。

電動ドリル(φ10mm)で、貫通穴を開ける

電動ドリル(φ10mm)で、貫通穴を開ける。Cはそれぞれ2カ所ずつの計4つ、Dはそれぞれ1カ所ずつの計2つ。

糸ノコでCとDの脚の頭部分・脚先部分をアールにカットする

糸ノコでCとDの脚の頭部分・脚先部分をアールにカットする。

2.桟の溝加工

GとHの凹を作る
まずは電動ドリル(φ10mm)で穴を開けてから、ノコギリで手前をカット

GとHの凹を作る。まずは電動ドリル(φ10mm)で穴を開けてから、ノコギリで手前をカット。それぞれ6カ所あり。

3.反り止めの加工

Bの2枚をそれぞれ電動ドリル(φ10mm)で穴開けをして、ノコギリでナナメにカットする

Bの2枚をそれぞれ電動ドリル(φ10mm)で穴開けをして、ノコギリでナナメにカットする。

4.ビスの下穴を開ける

A以外の木材すべてに、下穴を開ける
A以外の木材すべてに、下穴を開ける

A以外の木材すべてに、下穴を開ける。

※真っ直ぐ開けられるように、ドリルスタンドで固定を。また、A・C・D以外のビスの頭が埋まる下穴に面取りを行う(ビスをしっかり入れて、引っかかりを防止するため)。 また、G・Hにはヒモを通す用の穴を電動ドリル(φ4mm)で開け、両面に面取りを行う。

5.やすりがけ・ビス留め・塗装

全体をペーパーがけ(#180)し、面取りも行う
角部分は欠ける恐れがあるため、手で作業をする

全体をペーパーがけ(#180)し、面取りも行う(さわっても痛くない程度に)。

※角部分は欠ける恐れがあるため、手で作業をする。
※C、Dの頭と脚先のアール部分も手で作業。なめらかにする。

BをAに電動ドリルで固定(ビス50mm)

BをAに電動ドリルで固定(ビス50mm)。

「C・E・G」、「D・F・H」をそれぞれ電動ドリル(ビス20mm)で固定し、口の字の枠を2組作る
Cのボルトを入れる穴が外側に。Dのボルトを入れる穴は内側に向いているようにする。間違えないように注意を

「C・E・G」、「D・F・H」をそれぞれ電動ドリル(ビス20mm)で固定し、口の字の枠を2組作る。

※Cのボルトを入れる穴が外側に。Dのボルトを入れる穴は内側に向いているようにする。間違えないように注意を。
※この時点で仮組みしてサイズなどの確認を。

ハケで全体に塗装をし、
乾いた後に軽くペーパーがけ(#400)をして毛羽立ちを取る
仕上げにウエスで薄く塗装をする

ハケで全体に塗装をし、乾いた後に軽くペーパーがけ(#400)をして毛羽立ちを取る。仕上げにウエスで薄く塗装をする。

6.組み立て

脚フレームのクロスする部分を
ボルト・ワッシャー・ナットで固定する

脚フレームのクロスする部分をボルト・ワッシャー・ナットで固定する。

続いて麻ヒモで開きの間隔を調節

続いて麻ヒモで開きの間隔を調節。

脚の頭とフタをボルト・ワッシャー・ナットで固定すれば完成

脚の頭とフタをボルト・ワッシャー・ナットで固定すれば完成。

ゴミ袋を自作する場合は

ゴミ袋を自作する場合は

サイズW160xD300xH348(写真の材質は麻)を目安に袋を作り、麻ヒモなどで取り付ける。