DIYならではの新発想! 便利な食材置き場付き クーラーボックススタンド

ありそうでなかった、食材置き場として使える小棚付きクーラーボックススタンドの作り方をご紹介します。木目の風合いと、個性的な曲線デザインで見た目もオシャレ。小棚を取り外せば、ロースタイルのミニテーブルとしても使えます。図面のPDFも公開していますので、興味がある方はぜひ作ってみてください!

How to make -作り方-

材料
材料

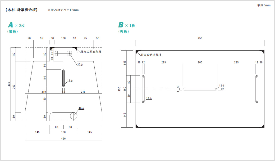
※寸法表記:W(幅)、H(高さ)、D(奥行き)、t(厚み)

【木材:針葉樹合板】
A. W450 × D430 × t12mm / 2枚(脚板)
B. W750 × D450 × t12mm / 1枚(天板)
C. W750 × D211 × t12mm / 1枚(開き止め板)
D. W310 × D150 × t12mm / 2枚(小棚受け板)
E. W700 × D100 × t12mm / 1枚(小棚板)
F. φ30 × t12mm / 2枚(小棚外れ止め軸)
G. 30 × 45(楕円)× t12mm / 2枚

【塗料】

塗料
  • ・油性ニス(つや消しクリヤー)
工具
工具

・差金
・F型クランプ
・クランプ
・筆記具
・コンパス
・ノコギリ
・引き回しノコギリ
・充電ドライバー
・トリマー
・フォスナービット(φ30mm、φ40mm)
・木工用ドリル(φ12mm)
・ドリルチャック
・紙ヤスリ
・木工用ボンド
・糸鋸盤(ジグソーでも可)

作り方

1.板に製図をする

筆記具でA、B、C、D、Eに切り出し線を描く

筆記具でA、B、C、D、Eに切り出し線を描く。

2.穴を開け、くり抜き部分のカット

Aの脚板の取っ手になる部分に、φ30mmのフォスナービットで左右2カ所の穴を開ける

Aの脚板の取っ手になる部分に、φ30mmのフォスナービットで左右2カ所の穴を開ける。中央部はφ12mmの木工用ドリルで、下部はφ40mmのフォスナービットで同様の作業をする。

※穴開け作業時は、しっかりとクランプで固定をし、カットする板の下に端材をかませること。次いでスピーディーにビットやドリルで貫通させれば、合板が剥がれる予防となる。

くり抜き部分の作業は、まず写真のようにくり抜く部分の左右の両端2カ所に穴を開ける

くり抜き部分の作業は、まず写真のようにくり抜く部分の左右の両端2カ所に穴を開ける。こうすることで、穴から穴へ、2つの線上を切るだけでくり抜けるようになる。
Bの天板、Eの小棚も、くり抜き部分にそれぞれφ12mmの穴を開ける。

Aの脚板、Bの天板、Eの小棚それぞれ、くり抜き部分に開けた穴と穴の間を糸鋸盤でカットしてくり抜く
糸鋸盤の刃が届かない場所は、引き回しノコギリでカットする

Aの脚板、Bの天板、Eの小棚それぞれ、くり抜き部分に開けた穴と穴の間を糸鋸盤でカットしてくり抜く。糸鋸盤の刃が届かない場所は、引き回しノコギリでカットする。

3.カットして角を取る

それぞれの板の外側をノコギリでカットし、トリマーで角を取る
※トリマーの使用時は、木くずが飛散するため保護メガネの着用を

それぞれの板の外側をノコギリでカットし、トリマーで角を取る(ヤスリでも可)。
※トリマーの使用時は、木くずが飛散するため保護メガネの着用を。

差し込みがうまくいくかどうか、A、B、Cを仮組みする
差し込みが引っかかる場合は、曲面部分をヤスリがけして微調整しながら、ジャストサイズを目指す

差し込みがうまくいくかどうか、A、B、Cを仮組みする。差し込みが引っかかる場合は、曲面部分をヤスリがけして微調整しながら、ジャストサイズを目指す。

※カットで誤差があまり出ないよう、図面ではくり抜き穴と差し込み部のサイズが同寸法になっている。

4.小棚の取り付け作業

F、Gをボンドで固定

F、Gをボンドで固定。

クランプでキープする。反対側も同様に行う

乾いたら、組んだA、B、Cに、Dの小棚受けを適正位置に配置して、Aの取っ手部分の穴の外側からF&G(Fにボンドをつけて)をDに固定。クランプでキープする。反対側も同様に行う。
乾いたらDの上部にEの小棚を差し込む(引っかかる場合はヤスリがけして微調整)。

5.塗装

組んだパーツを分解し、全ての木材に塗料を塗れば作業完了

組んだパーツを分解し、全ての木材に塗料を塗れば作業完了。
※塗装法は塗料の仕様に準じる。

監修:友松すのこ

更新日:2019.08.28