| |S800のトップへ|パーツリストの目次へ| |
|
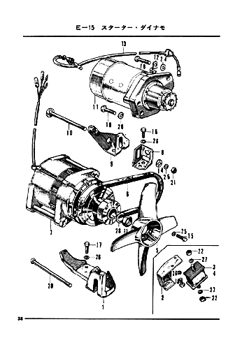
エンジンブロック E-15 スターター・ダイナモ
|
|
| 1 | R.エンジンベッド | |
|---|---|---|
| 11810-516-303 | ||
| 2 | L.エンジンベッド | |
| 11821-516-313 | ||
| 3 | R.エンジンマウントブラケット | |
| 11833-504-010 | ||
| 4 | L.エンジンマウントブラケット | |
| 11834-504-000 | ||
| 5 | クーリングフアン | |
| 19501-516-000 | ||
| 6 | フアンベルト | |
| 19511-500-000 | ||
| 7 | A.C.ダイナモアッセンブリー | |
| 31100-506-014 | ||
| 8 | ジェネレーターステーA | |
| 31161-506-000 | ||
| 9 | ジェネレーターステーB | |
| 31162-516-020 | ||
| 10 | 8mm スペシャルボルト | |
| 31163-516-000 | ||
| 11 | スターティングモーターアッセンブリー | |
| 31200-500-154 | ||
| 12 | スターターケーブルサポーター | |
| 32401-500-000 | ||
| 13 | スターターケーブルアッセンブリー | |
| 32420-504-000 | ||
| 14 | 8mm スペシャルワッシャー | |
| 90482-500-000 | ||
| 15 | 6×20 六角ボルト | |
| 92000-06020 | ||
|